306-16-067
Can't find what you're looking for? Go to the Product Selector
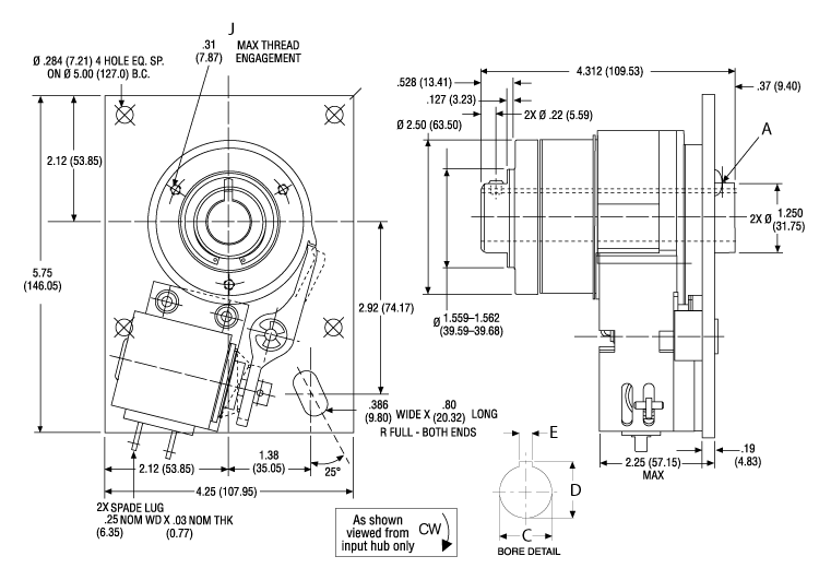
Clutch/Brake, CB6CW115AC1.00B2ST, 扭簧, Solenoid Operated, Standard, 標準系列-6, CW Rotation, 輪轂輸入, 1.0005 / 1.0025 英寸 Bore, 2 Stop, 115 Vac, 500 in-lbs 靜態力矩
- CB系列離合器和電磁制動器組合通過連續的交替電源,可精確地開啟、停止負載驅動。CB單元可在單相交流或直流脈沖下,轉速最高達到1800 RPM(取決于尺寸)時在±½°范圍內(非累積)停止負載。
- 可調節控制止動環提供簡單和精確的輸出停止位置設定
- CB單元可在電磁線圈關閉時鎖定兩個方向的負載,因此可消除負載超程或欠程
- 永久性潤滑—無需因磨損進行調節
- 最快可在3毫秒內施加負載,并在1.5毫秒內停止負載
- RoHS認證
