6932-448-015
Can't find what you're looking for? Go to the Product Selector
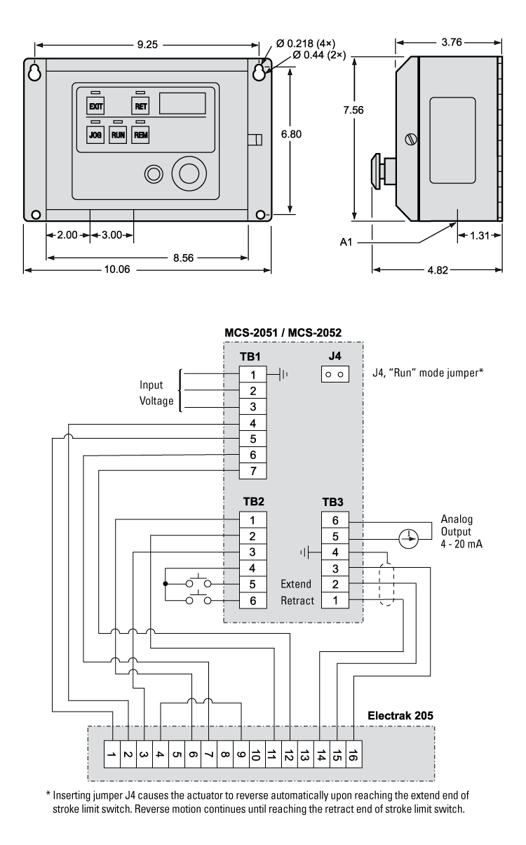
執行器, MCS-2051 ACTUATOR CONTROL 120V
- 專門設計用于驅動Electrak 205執行器的控制器
- 堅固可靠的金屬外殼,帶正面蓋板安裝薄膜開關和LED指示燈,用于伸展、收縮、手動、運行和遠程控制
- LCD顯示器顯示延長管位置
- 內部“Run”模式跳線可使得執行器在到達行程限位開關外端時自動反向運行。反向運動會一直持續到抵達行程限位開關另一端
- 控制器為外部客戶提供的控制器/測量儀提供模擬輸出信號
- 用于外部擴展和收縮開關的輸入
- 115Vac 50/60 Hz Input, NEMA 1
- 執行器電流最大24 Vdc 8 Amp,4-20 mA模擬輸出信號
- 動態制動器
