RADMO-34B
Can't find what you're looking for? Go to the Product Selector
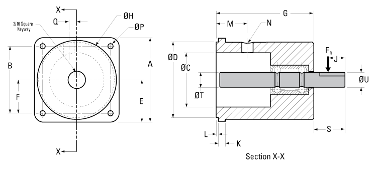
直線運動單元, RADIAL MOUNT 34B
- Radial Mount shaft extenders are supplied with RMC-34B Radial Mount Coupling.
- Use for the mounting of actuating devices that will impart a cantilever load to the ball screw shaft extension.
- May be used with: – Pulley and Belt Drives – Hand Cranks – Pinion Gears
